在线咨询

气力输送事业部

当前位置: 首页 > 气力输送事业部
仓式泵浓相输送系统
仓式泵属于发送罐式输送装置,它用于压送式气力输送系统中,可用作远距离输送,泵体内的粉粒状物料与充入的压缩空气相混合,形成似流体状的气固混合物,借助沿途管道将压缩气体静压能转化为物料动能,实现物料的输送.
仓式泵按照压力容器标准设计、制造,其结构坚固、密封性好,输送能力大,输送距离较长,它结构简单,除压缩气体外,无需别的动力,运行的可靠性好.我公司在借鉴多家仓式泵输送系统优点的基础上进行优化设计,实现现场安装方便化、多样化和可靠化.仓式泵根据出料口位置的不同可分为上出料仓泵(MT系列)和下出料仓泵(MD系列).上出料仓泵为一种流态化出料方式,物料经流态化后形成流体状混合物利用压力差进入管道实现输送.下出料仓泵为一种强制出料方式,由于其出料口在泵体下部,物料在重力和仓泵顶部压缩气体作用下强制被压入管道,实现物料的输送.
 
MT上引式仓式泵气力输送系统运行原理(点击详细) MD下引式仓式泵气力输送系统运行原理(点击详细)
型号表示方法:
 
[NextPage]
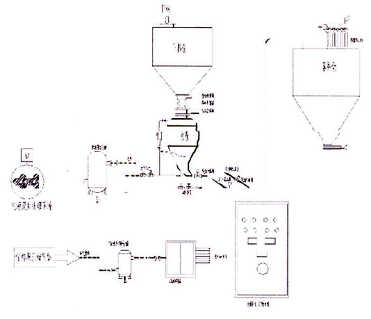
MT型上出料仓式泵单仓典输送流程:
[NextPage]
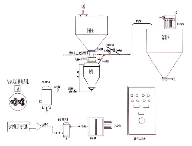
MD型下出料仓式泵单仓典型输送流程:
[NextPage]

MT型上出料仓式泵技术参数:

参数

MT0.25

MT0.5

MT0.75

MT1.0

MT1.5

MT2.0

MT2.5

容积(m3)

0.25

0.5

0.75

1.0

1.5

2.0

2.5

输送能力m3/h

3

6.5

9

12

16

20

25

输送距离

~2000米

工作压力MPa

0.3-0.6

操作方式

现场手动、远程手动和集中PLC自动


参数

MT3.0

MT4.0

MT5.0

MT6.0

MT8.0

MT10.0

容积(m3)

3.0

4.0

5.0

6.0

8.0

10.0

输送能力m3/h

30

36

45

52

64

80

输送距离

~2000米

工作压力MPa

0.3-0.6

操作方式

现场手动、远程手动和集中PLC自动



MD型下出料仓式泵技术参数:

参数

MD0.25

MD0.5

MD0.75

MD1.0

MD1.5

MD2.0

MD2.5

容积(m3)

0.25

0.5

0.75

1.0

1.5

2.0

2.5

输送能力m3/h

4

8

11

14

18

22

27

输送距离

~2000米

工作压力MPa

0.3-0.6

操作方式

现场手动、远程手动和集中PLC自动


参数

MD3.0

MD4.0

MD5.0

MD6.0

MD8.0

MD10.0

容积(m3)

3.0

4.0

5.0

6.0

8.0

10.0

输送能力m3/h

32

38

48

55

66

85

输送距离

~2000米

工作压力MPa

0.3-0.6

操作方式

现场手动、远程手动和集中PLC自动

说明:
1、上出料及下出料仓式泵系统可根据工况的要求及现场布置成串泵输送系统,即多台仓泵利用~根输送
管道,此几台仓泵可同时发送也可轮流发送.大型电厂粉煤灰输送一般采用几台仓泵同时发送输送系统.
2、上出料及下出料仓式泵可采用两台仓泵串联或并联安装实现连续输送.


相关推荐
/ recommend
友情链接: 刮泥机 气浮 不锈钢反应釜 粉末冶金 蒸汽锅炉 MEMS制造 IGBT制造 失重式喂料机 空气悬浮风机 空冷器 内圆磨床 锅炉 通风机 披萨加盟 薄膜蒸发器 轮胎吊 生物发酵设备 滚筒式切片机 液氩 空气热交换器 耙式干燥机 纵剪机 电磁刹车器 漩涡气泵 旋涡气泵 冷弯型钢 输送机 螺旋输送机 不饱和树脂设备 活塞环 微型电磁阀 PE保护膜 堆垛机立柱