在线咨询
欢迎访问 无锡纽麦输送机械有限公司 官方网站!
服务热线:
0510-8518-1288
加入收藏
首页
关于我们
新闻中心
产品展示
资质证书
在线留言
联系我们
企业邮局
导航
产品展示
/ product
气力输送事业部
热处理设备事业部
电站阀门事业部
热文推荐
/ article
热烈庆祝无锡纽麦输送机械有限公司网站…
机械板块主业规模效率递减 两极分化严重…
如何看待机械再制造新兴市场的前景
我国机械制造行业信息化现状分析及建议…
内河码头国产吸粮机研究开发和应用的现…
在线留言
Feedback
纽麦
电站阀门事业部
当前位置:
首页
>
电站阀门事业部
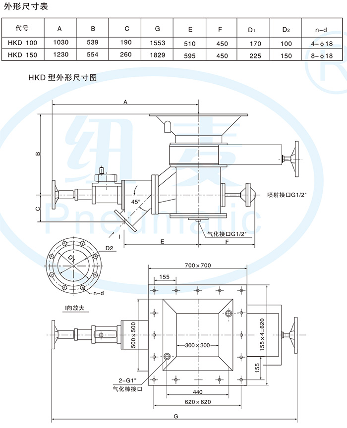
HKD型、HKC型库底, 底侧卸料器
上一篇
返回顶部
下一篇
相关推荐
/ recommend
TSL型双轴搅拌机
SZ-100型散装机
JCB F-645J-10C提升阀
DMC 型脉冲袋式库顶除尘器
首页
关于我们
新闻中心
产品展示
资质证书
在线留言
联系我们
企业邮局
友情链接:
刮泥机
气浮
不锈钢反应釜
粉末冶金
蒸汽锅炉
MEMS制造
IGBT制造
失重式喂料机
空气悬浮风机
空冷器
内圆磨床
锅炉
通风机
披萨加盟
薄膜蒸发器
轮胎吊
生物发酵设备
滚筒式切片机
液氩
空气热交换器
耙式干燥机
纵剪机
电磁刹车器
漩涡气泵
旋涡气泵
冷弯型钢
输送机
螺旋输送机
不饱和树脂设备
活塞环
微型电磁阀
PE保护膜
堆垛机立柱